• 网站首页
  • 产品中心
  • 典型应用
  • 视频中心
  • 新闻中心
  • 联系我们
  • 网站首页
  • 产品中心
  • 典型应用
  • 视频中心
  • 新闻中心
  • 联系我们
EN
在线购买
  • 蠕动泵

    调速型 流量型 分配型 智能型 工业型 防爆型 OEM型 泵头及配件

  • 注射泵

    单通道 双通道 四通道 十通道 分体式 高压 独立控制 静电纺丝

  • 工业注射泵

    工业注射泵

  • 灌装系统

    一体灌装系统 分体灌装系统

  • 微型柱塞泵

  • 软管

    国产软管 进口软管

  • 典型应用

    实验室 注射泵 环保 医疗 电器 印刷 柱塞泵

  • 新闻中心

    公司动态 行业资讯

  • 当前位置:首页 > 典型应用
  • 实验室
  • 注射泵
  • 环保
  • 医疗
  • 电器
  • 印刷
  • 柱塞泵
  • 食品加工
  • 工业

防锈油添加设备配套 BS100-1AQ蠕动泵

将泵体安装在抛光机箱体外部高于焊丝处,上面的塑料容器中加入防锈油,设定好注入时间和注油量,防锈油会被自动注入到出油管端部的毛毡

24通道香料油喷射系统 智能蠕动泵灌装系统

应用描述在烘焙产品自动化生产线上,采用6组蠕动泵灌装系统,搭配YZ15泵头,组成24通道香料油喷射系统,在产品生产过程中,将食品香料油均

柱塞泵在小型化水质监测仪器加样泵中的应用

随着技术快速发展,小型化、便携式、不断提升灵敏度和精度等逐渐成为水质监测预警技术的发展方向。MP系列微型柱塞泵适合于高精度微

实验室注射泵在电池阴阳极腔室中 以相同特定流速通入电解液

某实验研究光催化燃料电池在光照条件下降解废水同时产电的性能。电池为连续进液,在控制电解液恒定流速以及不同流速情况下测试光催

生物实验室分体式注射泵 在液滴微流控技术中的应用

液滴微流控技术在生物颗粒的精确定量与快速检测方面独具优势,已成为近年来微流控技术的主流科研热点。其原理是通过特殊的微通道设

蠕动泵在核酸提取液无菌分装的应用

蠕动泵是一种可控制流速的液体输送装置,具有输送精度高、流量范围广、剪切作用小、操作简单及易于维护等特点,可应用于精度要求高的

口罩细菌过滤检测设备内置蠕动泵 用于传输细菌悬浮液至气溶胶室

微生物指示剂(如金黄色葡萄球菌悬浮液)通过蠕动泵泵送至气溶胶发生器的喷雾口,同时气源也输送至气溶胶发生器的喷雾口,使得微生物悬

蠕动泵在水处理系统中传输污水 添加絮凝剂以及其他水处理试剂

蠕动泵产品在水处理系统中用于传输待处理的污水,或用于添加絮凝剂以及其他水处理试剂。蠕动泵在传输流体时流体仅在软管内流动,因此

蠕动泵在过滤系统中的应用

蠕动泵产品在过滤系统中与过滤器配合使用,驱动溶液通过过滤器,用于对目标药物成分进行提纯浓缩,对培养基、缓冲液等进行除菌过滤,推荐

蠕动泵在汽化过氧化氢灭菌系统中的应用

在过氧化氢灭菌系统中,蠕动泵用于传输35%的过氧化氢溶液。将溶液注入到汽化器中,汽化成过氧化氢蒸汽,在干燥空气的驱动下,过氧化氢气

蠕动泵在层析实验中的应用

层析法是一类混合物分离技术,在分析化学、有机化学、生物化学等领域有广泛的应用。层析法利用混合物中各组分理化性质的差异,将多组

蠕动泵在组织灌流实验中的应用

组织灌流是医学院及科研机构进行药理学或生理学研究的实验手段之一,例如研究离体脑组织中神经元分布区域时,为了保证实验过程中离体

蠕动泵在腹膜透析机中的应用

腹膜透析是利用人体自身的腹膜作为透析膜的一种透析方式。向腹腔内注入透析液,通过腹腔中腹膜毛细血管血液与透析液之间的溶质和水

蠕动泵在制药包衣机中的应用

在特定的设备中按特定的工艺将某些能成膜的材料涂覆子药物固体制剂的外表面,使其在干燥后成为紧密粘附在表面的一层或数层不同厚薄

OEM蠕动泵在实验室小型发酵罐发酵实验中的应用

一般认为:500L以下的是实验室规模的发酵罐,500L以上是生产规模的发酵罐。实验室的小型发酵罐发酵是工业发酵罐发酵的原型和基础,为生

实验室微量注射泵在高压静电纺丝中的应用

静电纺丝即在高压静电下用聚合物溶液进行纺丝的过程。静电纺丝可以制备直径在几十到几百纳米的纤维,产品具有较高的孔隙率和较大的

蠕动泵在芯片镀膜、显影和蚀刻中的应用

芯片生产是一个非常复杂的点砂成金的过程——从砂子到晶圆再到芯片。晶片先从砂石里层层提炼出来,中间涉及有拉晶、切割

蠕动泵在包装设备中的应用

印刷机工作原理是将需要印刷的文字和图像制成印版,装在印刷机上,然后印刷机把墨涂在印版上有文字和图像的地方,再转印到纸或需要印刷

蠕动泵在食品和饮料行业准确的输送各种流体原料

蠕动泵在食品加工和饮料机中可以非常准确的输送各种流体原料以及果浆、糖浆、牛奶等液体,非常方便的实现定量添加及分配功能。典型

蠕动泵在智能家电中的应用

家用电器(HEA)主要指在家庭及类似场所中使用的各种电器和电子器具。商用电器是近几年才出现的一个名词,是说一些为了用于商业用途

蠕动泵在内窥镜送水中的应用

推荐配置:BT600S驱动器,搭配YZ15泵头,软管按需求自行选择
(脚踏开关控制)(出液效果)(配套应用过程)

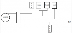
蠕动泵在CEMS烟气连续排放监测系统中的应用

烟气自动监测系统(CEMS,Continuous Emission Monitoring System)是指对大气污染源排放的气态污染物和颗粒物进行浓度和排放总量连
  • 产品中心
    蠕动泵 软管 注射泵 工业注射泵 灌装系统 微型柱塞泵
  • 典型应用
    实验室 注射泵 环保 医疗 电器 印刷 柱塞泵
  • 新闻中心
    公司动态 行业资讯
  • 联系我们

yuefengtech@foxmail.com

保定悦风科技 | Acmer - 主营实验室蠕动泵-微量注射泵-高精度灌装机
微信 淘宝 天猫
微信二维码
Copyright © 2007-2015 保定悦风科技 | Acmer - 主营实验室蠕动泵-微量注射泵-高精度灌装机 All Rights Reserved 冀ICP备2021008167号 网站地图